Alimentation sans fil d’appareils avec technologie inductive
sur
Imaginez que vous alimentez une lampe ou réchauffez une tasse à café sans aucun fil, en utilisant uniquement la résonance électromagnétique. Dans ce projet, nous transmettons 20 W de puissance à travers une table de 5 cm d’épaisseur pour allumer une ampoule LED de 20 W. En accordant les bobines émettrice et réceptrice à une fréquence de résonance de 50 kHz et en associant un oscillateur piloté par microcontrôleur, un étage de puissance à MOSFET et un récepteur redresseur, nous obtenons un éclairage intense. Cette expérience constitue une démonstration convaincante de l’éclairage sans fil de surface et fournit des enseignements essentiels en matière de conception de bobines, de circuits et de contraintes pratiques, avec des applications allant de l’éclairage aux objets du quotidien comme les tasses chauffantes.
Éclairage sans fil grâce au rayonnement électromagnétique
Ce projet illustre un système d’éclairage sans fil utilisant le rayonnement électromagnétique. Il transfère 20 W à travers une table de 50 mm d’épaisseur entre la bobine émettrice et la bobine réceptrice, afin d’alimenter une LED de 20 W. Il définit des normes et des principes de conception pour le couplage électromagnétique, adaptés aussi bien à l’alimentation d’une lampe qu’au chauffage d’une tasse de café.
Le prototype repose sur la transmission d’énergie sans fil (WPT), exploitant la résonance électromagnétique comme illustré en figure 1. La portée de la WPT se limite à quelques centimètres, ce qui freine son déploiement pratique. Le modèle analytique d’un tel système de transfert peut être formulé grâce à la théorie des modes couplés (CMT).
Un facteur de qualité élevé traduit une faible perte d’énergie par rapport à l’énergie générée. Ce paramètre essentiel caractérise le générateur (onde carrée) et le résonateur, en définissant la largeur de bande de ce dernier par rapport à sa fréquence centrale (50 kHz).
Étapes de conception
Nous avons d’abord conçu deux bobines (Rx et Tx), chacune de 25 spires de fil de cuivre isolé enroulées autour d’un diamètre de 25 mm. Chaque bobine possède une résistance interne R et une inductance L, les deux étant accordées à la même fréquence. Comme le montre la figure 2, le couplage magnétique résonant fonctionne de façon similaire au couplage inductif, mais la résonance permet d’augmenter la distance de transfert efficace de l’énergie.
Nous avons monté un condensateur en parallèle sur chaque bobine. L’oscillateur à onde carrée est relié à la bobine source, tandis que l’étage amplificateur est couplé inductivement à la bobine de charge. Accordée à la même fréquence de résonance, la bobine de charge (Tx) capte l’énergie issue du champ magnétique produit par la bobine source (Rx), comme indiqué en figure 3.
Circuit de transmission
Après avoir réalisé la bobine émettrice (Rx) de 20 spires en fil de 0,5 mm, nous avons conçu et simulé un oscillateur à onde carrée. Plusieurs méthodes permettent de générer un tel signal, mais après tests, nous avons retenu le microcontrôleur ATmega328P. Le schéma de l’oscillateur est présenté en figure 4. Il comprend une alimentation, un circuit programmable et un filtre DC. L’objectif était de produire une oscillation de 50 kHz avec un rapport cyclique de 50 %. La puissance générée étant insuffisante pour être transmise à travers 5 cm de bois, nous avons intégré un étage de puissance à notre circuit émetteur.
Amplificateur de puissance à découpage
Les LED exigent davantage de puissance que celle fournie par l’oscillateur carré. Nous avons donc étudié plusieurs topologies pour accroître le transfert d’énergie. L’amplificateur de puissance élève la tension de sortie et le rayonnement électromagnétique, mais impose un contrôle strict de la température du circuit.
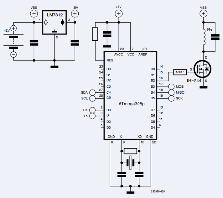
Nous avons choisi un MOSFET IRF244 pour piloter la bobine source (figure 5). La fiche technique indique un courant admissible de 49 A, ce qui reste sûr. L’IRF244 est commandé par un signal carré d’environ 55 kHz avec un rapport cyclique de 50 %. Il est alimenté par une source continue de 42 V (VSS = 42 V) pour actionner la bobine émettrice via le transistor de puissance.
La figure 6 illustre le schéma de la partie émettrice. Un régulateur de tension ramène la tension à 12 V pour alimenter l’oscillateur. Une fois le schéma complété et les composants acquis, nous avons assemblé le système, comprenant l’amplificateur de puissance et la bobine émettrice. L’élévation de la tension à l’étage de puissance augmente aussi la portée de la transmission d’énergie sans fil.
Circuit récepteur
Le circuit récepteur, associé à la lampe LED, est constitué d’une bobine de charge avec condensateur, d’un étage redresseur et d’un filtre DC pour stabiliser l’alimentation. Le redresseur transforme le courant alternatif (AC) en courant continu (DC). La figure 7 montre le schéma et le prototype réalisé.
Système de test et mise en œuvre
L’objectif était d’allumer la lampe sans aucun fil. Nous avons évalué l’efficacité du couplage à une distance fixe de 5 cm, équivalente à l’épaisseur de la table. Les essais ont confirmé que le montage fournissait suffisamment d’énergie pour allumer la lampe. Celle-ci devait être placée exactement au-dessus de la bobine TX, fixée sous la table. Pour optimiser le transfert, il est nécessaire de positionner la lampe à un endroit précis. L’intensité lumineuse devait être forte pour prouver l’efficacité de la transmission.
Nous avons également observé que la lampe s’allumait faiblement lorsqu’elle s’écartait de sa position optimale. Elle ne fonctionne correctement que si l’émetteur et le récepteur sont parallèles et parfaitement alignés. Bien que non illustré, la lampe s’éteint si le récepteur s’éloigne trop, sortant de la zone efficace du champ électromagnétique. Pour garantir une efficacité optimale, la bobine de la lampe doit être alignée avec les bobines magnétiques fixées sous la table (voir figure 8).
Chauffage d’une tasse de café
La figure 9 présente un système de chauffage de tasse sans fil. Une bobine émettrice est intégrée au bureau et la tasse est équipée d’une bobine réceptrice (figure 10). Le circuit émetteur (figure 5) est identique à celui utilisé pour la lampe. La bobine émettrice est reliée à un générateur d’ondes haute fréquence situé sous la table.
Le fonctionnement est assuré lorsque les bobines émettrice et réceptrice sont correctement alignées en parallèle. Tout désalignement latéral ou angulaire des bobines, ou toute fuite du champ électromagnétique, peut entraîner une baisse de rendement, une perte d’énergie ou des interférences avec des dispositifs voisins. Le niveau de risque dépend de la fréquence, de l’intensité, de la durée d’exposition et de la distance entre bobines.
Ce projet met en lumière le potentiel du couplage inductif résonant pour l’alimentation sans fil. Qu’il s’agisse d’allumer une lampe ou de réchauffer une tasse, il souligne à la fois les promesses et les défis liés à l’intégration de cette technologie dans notre quotidien.
Note de l'éditeur : cet article (250530-01) est paru dans Elektor Nov/Déc 2025.
Questions ou commentaires ?
Contactez Elektor redaction@elektor.fr.

Discussion (13 commentaire(s))