Relio v1.0 – détection de présence et contrôle à distance
Un contrôleur intelligent pour appareils électriques compatible Matter
Continuer la lecture de cet article Elektor ?
- Accès illimité aux articles réservés aux membres
- 3 nouvelles éditions du magazine Elektor (numériques)
- Plus de 5000 fichiers Gerber
- 20% de réduction pour les membres sur les e-books (sur elektor.fr)
- 10% de réduction pour les membres sur les produits (sur elektor.fr)
S’arrête automatiquement.
Qu'est-ce que la Uniquement membres
Elektor s'engage à fournir des contenus de haute qualité dans le domaine de l'électronique, servant ainsi des dizaines de milliers de membres payants. Dans le cadre de cet engagement, Elektor a lancé l'initiative Premium, qui propose des articles en ligne exclusifs pour les membres, parfois même avant leur publication dans le magazine.
Chaque jour, les membres peuvent accéder à des articles approfondis qui présentent le meilleur des contenus Premium d'Elektor.
Cette initiative vise à récompenser les membres en leur offrant un accès anticipé. Une fois connecté, vous pouvez facilement profiter de ce contenu exclusif et participer aux discussions sur les projets présentés.
Alors que Premium élargit les ressources disponibles, Elektor continuera à fournir une richesse d'informations gratuites.
Rejoignez dès aujourd'hui la communauté Elektor pour profiter de Premium et d'autres avantages !
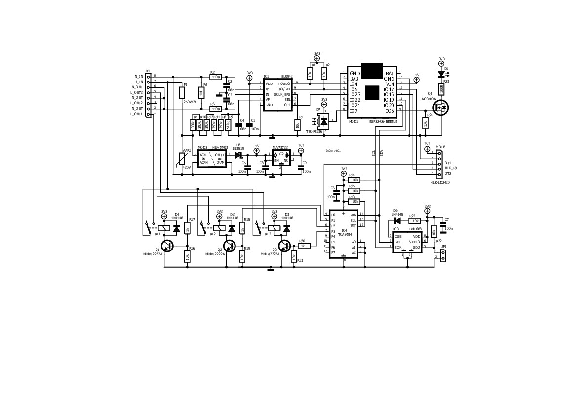
Matériaux
Liste des composants
Liste des composants
Résistances
R1, R2, R5, R13...R16, R19, R21...R24 = 10 kΩ
R3, R6, R9 = 510 Ω
R4 = 1 MΩ
R7, R8, R10...R12 = 390 kΩ
R17, R18, R20 = 1 kΩ
R25 = 100 Ω
Condensateurs
C1, C5 = 100 nF
C2, C3, C4 = 68 nF
C6, C7, C8, C9 = 0,1 µF
Semi-conducteurs
D1 = TSAL4400
D2 = 1N5819HW-7-F
D3, D4, D5, D6 = 1N4148W
D7 = TSOP41xx
Q1, Q2, Q3 = MMBT2222A
Q5 = AO3400A
IC1 = BL0942
IC2 = TLV75733PDBVR
IC3 = BME688
IC4 = TCA9554DBQ
Modules et connecteurs
K1 = TB001-500-08BE
MOD1 = Beetle ESP32-C6
MOD2 = HLK-LD2420
MOD3 = HLK-5M05
Relais
RE1, RE2, RE3 = G5LE-14 DC3
Divers
F1 = 3403.0169.24
RV1 = TND10V-431KB00AAA0

Discussion (0 commentaire(s))