Elektor Novembre/Décembre 2025 : prototypage et production
Alors que l’année 2025 touche à sa fin, nous vous présentons l’édition Prototypage et production d’Elektor. Vous y découvrirez une richesse d’inspirations et de savoir-faire issus de notre communauté internationale. Des conseils essentiels de Saad Imtiaz sur la conception de circuits imprimés à l’analyse approfondie de Peter Dalmaris des dernières fonctionnalités de KiCad, cette édition regorge d’informations pratiques. Bonne lecture !
Alors que l’année 2025 touche à sa fin, nous sommes heureux de vous présenter l’édition Prototypage et Production d’Elektor. À l’intérieur, vous trouverez une mine d’inspiration et d’expertise provenant de notre communauté mondiale d’ingénieurs et de makers inspirants. Des conseils essentiels de Saad Imtiaz pour la conception de cartes électroniques aux explications approfondies de Peter Dalmaris sur les dernières fonctionnalités de KiCad, cette édition regorge d’idées pratiques et de projets électroniques créatifs. Que vous soyez un ingénieur professionnel concevant un nouveau produit ou un maker travaillant sur un projet créatif le week-end, vous trouverez à coup sûr des astuces utiles dans ce numéro de votre magazine préféré. Bonne lecture !
Disponible maintenant !
À l’intérieur d’Elektor Novembre/Décembre 2025
Si vous recherchez des tutoriels d’ingénierie pertinents et des projets électroniques créatifs, vous êtes au bon endroit. Cette édition Prototypage & Production aborde un large éventail de sujets comme des conseils pratiques de soudure, des solutions de prototypage de circuits, et la circularité dans l’électronique.
Table des matières : Nov/Déc 2025
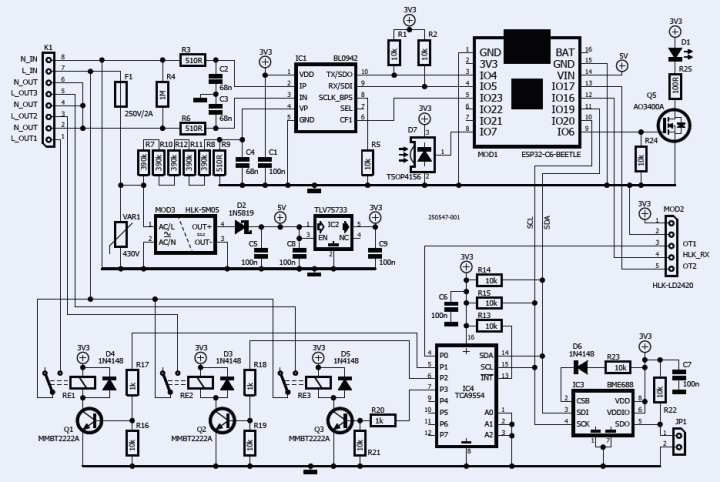
Relio v1.0 — Détection de présence et commande à distance
Picoampèremètre de précision avec fonction de tracé de courbes
Concevoir de meilleurs circuits imprimés : Guide pratique pour professionnels et makers
KiCad 9 : Les nouveautés et fonctionnalités mises à jour
Testeur de continuité 100 mV
Schéma Relio
Souder en 2025 : Conseils pratiques de soudure directement de l’établi
SimulIDE : Un outil tout-en-un pour le prototypage de circuits
Wordy Christmas Tree : Un projet électronique festif et linguistique
Distorsion analogique Pipeline : Un effet audio original pour guitares et autres instruments
Carte émetteur-récepteur audio ESP32 (partie 3) : Transmission stéréo et double radio
Carte émetteur-récepteur audio ESP32 (partie 3)
Qui repousse les limites de l’électronique européenne ? : Entreprises à suivre
productronica 2025 : Quoi de neuf dans le développement et la production électroniques
Automatisation : Relocalisation industrielle, droits de douane et pénurie de main-d’œuvre
Au-delà du futur : Circularité dans l’électronique
Composants passifs : Bobines à faibles pertes pour convertisseurs DC/DC haute efficacité
Projet testeur de continuité
Comment les machines de fabrication de bureau démocratisent la production de circuits imprimés
Affichages UHD pilotés en toute simplicité
2025 : Une odyssée de l’IA : De l’autocomplétion au collègue
Étoile de Noël 2025 : Une étoile à souder
Encore plussur le prototypage et la production
Elektor est une ressource incontournable pour le contenu lié au prototypage & production. Les membres Elektor Gold et Green peuvent explorer ces sujets toute l’année ! Nos membres bénéficient d’un accès complet à la bibliothèque en ligne d’Elektor ainsi que d’une remise de 10 % sur de nombreux produits dans la boutique Elektor. Nous publierons également l’édition Bonus gratuite associée à ce magazine sur notre page Prototypage & Production.
Je m'abonne
Abonnez-vous à la balise thématique Prototyping & Production pour être averti dès qu'une information relative à ce sujet sera publiée par Elektor !
Veuillez saisir votre adresse électronique. Les instructions de réinitialisation de votre mot de passe vous seront immédiatement envoyées par courriel.
Discussion (0 commentaire(s))