Circuit : milliohmmètre à réaliser soi-même
3 novembre 2025
sur
sur
La plupart des multimètres sont peu adaptés pour mesurer avec précision des résistances très faibles, mais cet instrument de précision comble cette lacune. Conçu pour mesurer de 100 μΩ à 200 Ω sur quatre plages avec une précision de 2 %, il utilise une régulation de courant astucieuse et un circuit d’alimentation isolé pour garantir des résultats fiables.
La plage P1 est la plus sensible, couvrant de 0,1 à 200 mΩ, et délivre un courant d’essai de 1 A au composant testé (DUT). Il est recommandé de limiter la durée des mesures sur cette plage pour préserver l’autonomie des piles et de vérifier que le DUT peut supporter un courant d’au moins 1 A.
« Commencez par calibrer les ajustables afin d’obtenir les courants indiqués dans le tableau, en mesurant le courant continu avec un multimètre connecté directement aux bornes de sortie », explique le concepteur, Stefano Purchiaroni. « Pour réduire la résistance parasite des cordons, soudez les conducteurs de mesure directement aux pinces crocodile pour éviter d’ajouter la résistance des câbles d’alimentation au composant mesuré. Notez que l’afficheur LCD indiquera toujours la somme de la résistance du DUT et de celle des cordons. Cette dernière doit être soustraite, en particulier sur la plage P1. »
Les images jointes présentent un exemple d’implantation possible sur veroboard (les zones jaunes indiquent les pistes interrompues), ainsi que plusieurs photos du prototype
Note de la rédaction : Cet article est initialement paru dans une édition 2022 d’Elektor. En raison de l’âge du projet, certains composants peuvent ne plus être disponibles. Cependant, nous espérons qu’il vous inspirera pour démarrer un projet créatif prochainement.
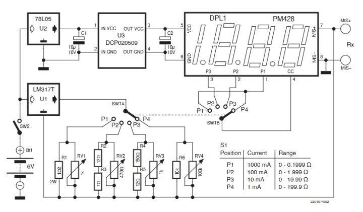
Schéma du milliohmètre
Ce milliohmmètre pratique fonctionne avec quatre piles AAA au lithium, choisies pour leur faible résistance interne. La partie supérieure du circuit alimente un afficheur LCD standard à 3,5 chiffres (DPL1) doté d’une pleine échelle de 199,9 mV. Comme ce module nécessite une alimentation isolée de 9 V, le circuit utilise un régulateur linéaire (U2) pour stabiliser la tension du bloc-piles à 5 V, tension ensuite élevée à 9 V par un convertisseur DC-DC isolé (U3, type DCP020509 de Texas Instruments). L’entrée de ce convertisseur ne devant pas dépasser 5,5 V, un régulateur 78L05 est intégré.
La partie inférieure du circuit génère un courant constant au moyen d’un LM317 configuré en source de courant. Le courant est ajustable grâce à un réseau de résistances piloté par un commutateur rotatif à quatre positions et deux étages (SW1). La résistance R1 doit être un modèle 2 W. Le second étage de SW1 modifie la position de la virgule décimale sur l’afficheur en fonction de la plage de mesure sélectionnée.
La plage P1 est la plus sensible, couvrant de 0,1 à 200 mΩ, et délivre un courant d’essai de 1 A au composant testé (DUT). Il est recommandé de limiter la durée des mesures sur cette plage pour préserver l’autonomie des piles et de vérifier que le DUT peut supporter un courant d’au moins 1 A.

« Commencez par calibrer les ajustables afin d’obtenir les courants indiqués dans le tableau, en mesurant le courant continu avec un multimètre connecté directement aux bornes de sortie », explique le concepteur, Stefano Purchiaroni. « Pour réduire la résistance parasite des cordons, soudez les conducteurs de mesure directement aux pinces crocodile pour éviter d’ajouter la résistance des câbles d’alimentation au composant mesuré. Notez que l’afficheur LCD indiquera toujours la somme de la résistance du DUT et de celle des cordons. Cette dernière doit être soustraite, en particulier sur la plage P1. »
Les images jointes présentent un exemple d’implantation possible sur veroboard (les zones jaunes indiquent les pistes interrompues), ainsi que plusieurs photos du prototype

Le projet original
L’article original, « Milliohm Meter », a été publié dans le numéro circuits de vacance 2022 d'Elektor. Vous pouvez lire l’article gratuitement pendant les deux semaines suivant la publication de ce post. Si vous décidez de vous lancer dans la réalisation de ce projet, n’hésitez pas à partager vos progrès sur la plateforme Elektor Labs !Note de la rédaction : Cet article est initialement paru dans une édition 2022 d’Elektor. En raison de l’âge du projet, certains composants peuvent ne plus être disponibles. Cependant, nous espérons qu’il vous inspirera pour démarrer un projet créatif prochainement.
Je m'abonne
Alerte de tag : Abonnez-vous au tag Circuits & Circuit Design et vous recevrez un e-mail dès qu’un nouvel article à ce sujet sera publié sur notre site web ! Lire l'article complet
Hide full article

Discussion (0 commentaire(s))