Circuit : testeur d’adaptateurs secteur CA
sur
Le projet
Il y a quelque temps, Charles Hansen s’est retrouvé devant une boîte remplie d’adaptateurs secteur mystérieux, du genre que l’on collectionne lors de vide-greniers ou au fond des tiroirs oubliés. Certains étaient bien étiquetés, d’autres portaient des inscriptions effacées ou inexistantes, mais tous suscitaient la même question : que délivrent-ils réellement ? Pour mettre de l’ordre dans cette collection, Chuck a conçu un banc de test compact acceptant les fiches cylindriques standard de 2,5 mm et 2,1 mm, ainsi que les connecteurs pointe/anneau de 3,5 mm, permettant d’identifier instantanément la tension, la polarité et plus encore. Branchez, par exemple, un adaptateur 14 V DC : les voyants rouges et verts du testeur indiquent immédiatement s’il s’agit de courant continu et dans quel sens est la polarité. Une solution simple et élégante pour lever toute ambiguïté concernant un adaptateur secteur.
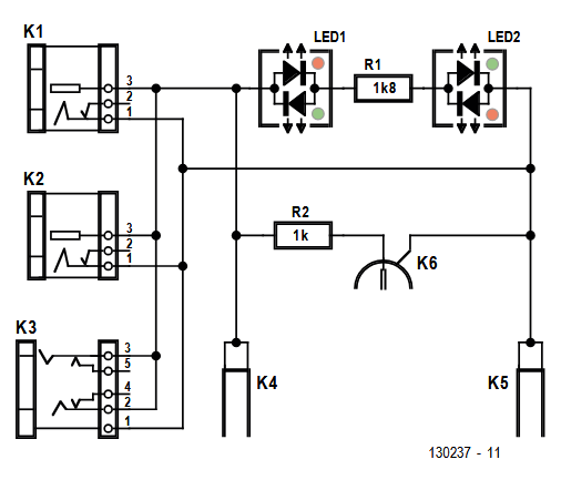
Le circuit
« L’adaptateur secteur est branché sur la prise correspondante K1, K2 ou K3 », précise Hansen. « Les parties centrales de K1/K2 et la pointe de K3 sont reliées à l’anode de la LED rouge et à la cathode de la LED verte, toutes deux réunies dans la LED bicolore LED1. De même, les manchons extérieurs de K1 et K2 ainsi que l’anneau de K3 sont reliés à la seconde LED bicolore, LED2. LED1 et LED2 sont interconnectées via R1, qui limite le courant dans les LEDs. Si une tension alternative est appliquée, les deux LEDs s’allument en orange/jaune vif. »
Le testeur intègre des bornes bananes pour brancher une charge résistive afin de vérifier le comportement d’un adaptateur secteur en charge, généralement environ 95 % de sa tension à vide, bien que les résultats puissent varier. Un connecteur BNC permet de mesurer la tension de sortie en toute sécurité, avec une résistance en série intégrée pour protéger votre multimètre si vous oubliez de régler la bonne plage. Même si les utilisateurs prudents n’ont pas forcément besoin de cette protection, il est toujours judicieux de commencer par une plage de tension élevée, puis de descendre. Si vous montez les bornes bananes à l’extérieur, espacez-les de 0,25 pouce pour qu’elles soient compatibles avec les fiches banane doubles standard.
Le projet original
L’article original, « AC-AC & AC-DC Power Adapter Tester », a été publié dans Elektor en mars 2014. Vous pouvez lire l’article gratuitement pendant les deux semaines suivant la publication de ce post. Bonne lecture !Note de la rédaction : Cet article a été publié initialement dans Elektor en 2014. Étant donné l’ancienneté du projet, certains composants peuvent être difficiles à trouver. Nous pensons toutefois que ce schéma vous inspirera pour créer votre propre projet.

Discussion (0 commentaire(s))