Circuit : déclaration d'amour digitale
sur
De temps en temps, je tombe sur un ancien projet Elektor qui me rappelle pourquoi je suis passionné d’électronique à la base, pas seulement pour l’innovation, mais aussi pour la créativité et l’humour qui s’y glissent. Le projet « déclaration d’amour digitale » de M. Muhr, datant de 1979, est l’un de ces montages. C’est un mélange original de logique numérique et de romantisme maladroit. Ce gadget fut conçu pour aider un ingénieur timide à exprimer ses sentiments de la seule façon qu’il connaissait : par l’électronique.
Voici l’idée : vous tendez ce petit appareil à quelqu’un de spécial, la personne appuie sur un bouton, et l’écran s’illumine avec les mots immortels « Bonjour, beauté ». Que cela provoque un sourire attendri ou un roulement d’yeux, le débat reste ouvert, mais on ne peut nier que c’est à la fois audacieux et charmant.
« L’idée de base est d’aider ces âmes malchanceuses qui semblent devenir muettes lorsqu’elles se retrouvent face à l’objet de leurs désirs, incapables d’exprimer l’intensité de leurs émotions par des mots », notait Muhr.
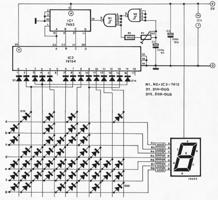
Le circuit
D’un point de vue technique, ce montage est un exemple simple mais élégant de logique numérique en action. Un générateur d’horloge donne le rythme, un compteur binaire 4 bits compte les impulsions, et un décodeur 4 à 16 active chaque sortie à tour de rôle. Une matrice de diodes traduit ces signaux pour afficher les segments adéquats sur un afficheur Minitron (ou similaire), écrivant ainsi chaque caractère du message. On peut même ajuster la vitesse avec un potentiomètre, car en amour comme en électronique, le timing compte.
Certes, c’est un peu absurde ; mais c’est précisément ce qui fait tout son charme. Des projets comme celui-ci nous rappellent que l’électronique ne doit pas toujours répondre à des besoins sérieux. Parfois, il s’agit simplement de créativité, d’expérimentation et du plaisir de jouer avec les composants.
Le projet original
L’article original, « déclaration d'amour digitale », est paru dans Elektor en juillet/août 1979. Vous pouvez lire l’article gratuitement pendant les deux semaines suivant la publication de ce post. Si vous commencez à travailler sur un nouveau circuit, n’hésitez pas à partager vos progrès sur la plateforme Elektor Labs !
Note de la rédaction : Cet article est initialement paru dans un numéro d’Elektor de 1979. Vu l’âge du projet, certains composants peuvent ne plus être disponibles et certaines techniques de conception peuvent sembler dépassées. Cependant, nous pensons que ce montage vous fera sourire et vous donnera envie de commencer de nouveaux projets à l’avenir.

Discussion (0 commentaire(s))