Elektor Team (9503)

Uniquement membres

| Over the past few years, robotics and cybernetics have become new fields of interest for many an owner of a personal micro, equipped with th...

Uniquement membres

| by R Shankar 14symmetrical cascode oscillator Free running as well as crystal con- trolled clock generators in many digital designs are most...

Uniquement membres

| low noise aerial booster 5 After having read the design essen- tials relevant to wideband amplifiers, RF filtering, intermodulation/cross- m...

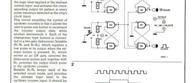
Uniquement membres

| by R v Linden 161UP/DOWN counter control The up/down binary- or BCD-mode counter is a regularly spotted item in digital circuits of various...

Uniquement membres

| +4,8V/10mA This circuit is of interest to two categories of readers; first, model air- craft/boat/train enthusiasts object- ing to having to...

Uniquement membres

| EE July/August 1986 34 We all sometimes wish that some of the switches around the home were just a little easier to locate and operate, nota...

Uniquement membres

| Just like the associated hand-held transmitter (see previous article), the receiver is simple to construct. As can be seen from the circuit...

Uniquement membres

| The converter proposed here (also called voltage-controlled current source) is based on just one opamp, and provides to, or draws from, grou...

Uniquement membres

| EE July/August 1986 36 by R Shankar 1 111 tuneable FM booster 01 BB106 C1 II Op 75 n BF961 BF981 This FM band (88-108 MHz) preampli- fier ha...

Uniquement membres

| one-chip DC converter I 121 R =(Vour-1.2) Finally, the output current may, of course, be boosted by means of a medium power transistor in a...