Besoin d’un module compact de régulation photovoltaïque pour systèmes à faible consommation ? Ce régulateur de tension pour cellule solaire est conçu pour être installé entre un panneau photovoltaïque et une batterie rechargeable. Le circuit une charge optimale, protège contre les décharges profondes et permet la surveillance complète du système.
Besoin d’un module de régulation d’alimentation solaire compact pour des systèmes à faible consommation comme des stations météo ou un éclairage extérieur à LED contrôlé par une minuterie ? Ce projet de régulateur de tension pour cellule solaire, développé en 2016, est conçu pour s’intercaler entre un panneau solaire et une batterie rechargeable. Le circuit assure une charge efficace, protège contre la décharge excessive et permet une surveillance via une interface USB/série. Il prend en charge des panneaux solaires de 10 à 50 W, avec une possibilité d’adaptation à des systèmes de puissance supérieure.
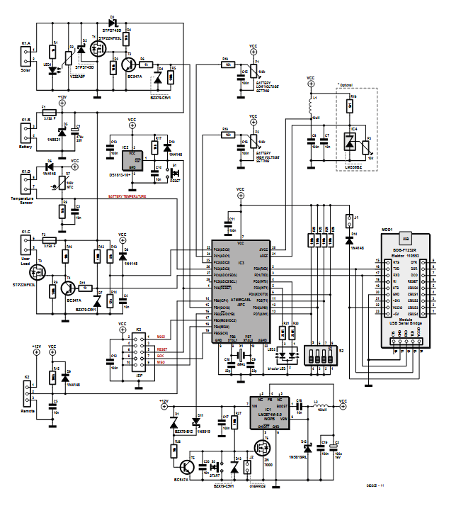
Conception et fonctionnement du circuit
Au cœur de ce système de régulation se trouve un microcontrôleur ATmega8 cadencé à 4 MHz. Le montage utilise un régulateur à découpage abaisseur (LM2674) de Texas Instruments, choisi pour son rendement élevé et sa faible dissipation thermique par rapport à un régulateur linéaire classique. Cela permet un fonctionnement efficace, même avec une alimentation de 24 V, en limitant les pertes d’énergie.
Schéma du régulateur photovoltaïque. Les composants dans la ligne pointillée ne sont pas utilisés (omis dans cette version).
La tension de la batterie est fournie via le connecteur K1.B, protégée par le fusible F1 et la diode D5 contre les inversions de polarité. Le régulateur à découpage LM2674 (IC1), commandé par le transistor T5 et le MOSFET T6, fournit une tension de sortie régulée et stable, tout en gérant efficacement l’énergie issue du panneau solaire.
La surveillance de la tension est assurée par les canaux ADC de l’ATmega8 :
ADC0 mesure la tension de la batterie à travers un réseau diviseur et filtre (R13, R14, C4).
ADC1 et ADC2 lisent les potentiomètres réglables (P1 et P2) utilisés pour définir manuellement les seuils haut et bas de la tension batterie.
Régulateur photovoltaïque, circuit imprimé
« Les dimensions du circuit (hors batterie) sont adaptées à un boîtier étanche de type Fibox », précise Pascal Rondane, le concepteur. « Les sorties de câble sont prévues pour passer par des presse-étoupes PG9. Deux trous de 2 mm doivent être percés au fond du boîtier pour permettre l’évacuation de la condensation. »
Micrologiciel
Le micrologiciel du microcontrôleur assure une gestion intelligente de l’alimentation. Lorsque la tension de la batterie chute sous un seuil défini, le système coupe la charge afin d’éviter une décharge profonde. Dès que la tension repasse au-dessus du seuil haut, l’électronique est automatiquement reconnectée. Le logiciel tient également compte du type de batterie (plomb-acide ou gel) afin d’optimiser les cycles de charge et de minimiser les effets mémoire.
Le régulateur photovoltaïque piloté par microcontrôleur est conçu pour un panneau solaire 12 V et une puissance de 10 à 50 W.
Le projet original de régulateur photovoltaïque 50 W
L’article original, « régulateur photovoltaïque 50 W», a été publié dans Elektor en janvier 2014. Vous pouvez lire l’article gratuitement pendant deux semaines après la publication de ce post. Si vous réalisez votre propre version du circuit, n’hésitez pas à la partager sur la plateforme Elektor Labs !
Note de la rédaction : cet article a été publié pour la première fois dans un numéro de 2014 d’Elektor. Étant donné l’ancienneté du projet, certains composants ou produits peuvent ne plus être disponibles, et certaines approches de conception peuvent sembler datées. Toutefois, nous espérons que ce circuit saura vous inspirer pour vos projets à venir.
Je m'abonne
Alerte de tag : Abonnez-vous au tag Power & Energy et vous recevrez un e-mail dès qu’un nouvel article à ce sujet sera publié sur notre site web !
Discussion (0 commentaire(s))